Home Theatre PC своими руками

Введение

Что ни говори, но портативный компьютер – это удобно. Конечно, десктоп «проще» апгрейдить – но за свободу передвижения не грех и переплатить. Поэтому, медленно, но верно, я «пересел» на ноутбук.

Домашний компьютер

Старый десктоп долгое время пылился под столом, работая то роутером интернета для ноутбука, то сетевым диском, пока однажды я не решил переделать его в Home Theatre PC.

HTPC Thermaltake DH-101

Концепция Home Theatre PC существует уже давно. Такие устройства представляют собой домашний кинотеатр, собранный на основе обычного компьютера. Единственным отличием являются корпус под плейер, бесшумность, ДУ и специальное программное обеспечение. HTPC используется для просмотра DVD, DivX фильмов, воспроизведения CD, MP3, просмотра фотографий с USB носителей, записи телепередач, часто комплектуются TV-тюнерами. Несмотря на то, что многие современные DVD-плееры могут делать почти все то же самое, с HTPC отсутствуют проблемы с неподдерживаемыми форматами, нераспознаваемыми носителями, поддержкой русских букв и т.д. Кроме того, поскольку HTPC по сути является персональным компьютером, пользователь имеет возможность обновлять программное обеспечение и использовать устройство как сетевой диск, torrent клиент, игровую приставку.

В то же время, никто не мешает собрать такое устройство самостоятельно, из доступных комплектующих.

Компьютер до переделки

Итого, я задался целью переделать десктоп в бесшумный компьютер, в горизонтальном корпусе, с пультом ДУ.

Исходная конфигурация

Процессор

Athlon XP 2400

Материнская плата

Soltek SL-75FRN-2L(чипсет nVidia nForce2)

HDD

Seagate 160GB

Видеокарта

Radeon 9600 Pro

Блок питания

Codegen 350Вт

Корпус

Обычный Midi tower был укорочен на 7 см при помощи «болгарки». Лицевая панель была вырезана из оргстекла.

Корпус в исходном виде

Корпус стал короче на 7 сантиметров:

Укороченный корпус

Теперь он будет стоять горизонтально.

Корпус стал лежачим

Лицевая панель корпуса

После механической обработки, весь корпус будет покрашен в черный цвет краской из баллончика.

Блок питания

Я принципиально решил не приобретать новые комплектующие, а собрать всё из имеющихся. Поэтому не стал покупать новый блок питания. Из обычного БП 350Вт Codegen был вынут 80мм вентилятор, боковая стенка спилена, а на её место поставлен 120 мм вентилятор и герметично закреплён простой изолентой. Вентилятор должен дуть внутрь блока питания. 120 мм вентилятор работает практически бесшумно, а когда включен - на 7В (об этом позже).

Модификация блока питания

Охлаждение процессора

Далее следовало заменить 80мм вентилятор на процессоре. Первой попыткой было использовать кулер Zalman 6000CU и установленный рядом вентилятор. К сожалению, несмотря на внушительный дизайн кулера, в такой конфигурации процессор перегревается.

Кулер Zalman


Кулер Titan Siberia

В поисках нового 120мм вентилятора, я наткнулся на кулер Titan Siberia. Кулер комплектуется 120мм вентилятором, имеет ручной регулятор оборотов и заявлен как бесшумный. Сразу скажу, что эта покупка обернулась сплошным разочарованием. На полных оборотах этот кулер шумит еще больше, чем 80мм кулер - из-за конструкции лопастей вентилятора. Регулятор умеет снижать напряжение с 12 только до 9В, поэтому даже в нижнем положении кулер достаточно шумный. Это при том, что его вентилятор уверенно стартует и работает на 5В. И в заключение, включенный на 7В, вентилятор сгорел через неделю. Практически, мне досталась металлическая основа для установки 120мм вентилятора на процессор, на которую я поставил вентилятор Foxconn.

Кулер Titan Siberia с вентилятором FoxConn

В результате нескольких попыток включить вентиляторы на пониженное напряжение выяснилось, что двух вентиляторов недостаточно. Поэтому я добавил еще один на верхнюю крышку. Этот вентилятор должен дуть внутрь корпуса.

Видеокарта

Среди пылящихся комплектующих я обнаружил две видеокарты ATI Radeon 9600 и 9600 Pro

Видеокарты Radeon 9600(сверху) и Radeon 9600Pro (снизу) имеют одинаковые крепления для системы охлаждения

Примечательно, что на Pro версии установлен вентилятор, а на обычной - просто большой радиатор. Чтобы получить и максимальную производительность для игр, и минимальный шум, я взял 9600Pro и поставил на нее просто радиатор. 120мм вентилятор в верхней части корпуса будет охлаждать чип не хуже, чем мини-кулер оригинала.

Перепайка конденсаторов на видеокарте

При установке радиатора, три конденсатора пришлось перепаять на другую сторону платы.

Снижение оборотов вентиляторов

Минимальное напряжение, на которое стоит включать вентиляторы – 5В или 7В, в зависимости от модели вентилятора. Так они и работают бесшумно, и дают достаточно сильный воздушный поток. С полученной системой охлаждения компьютер нормально просматривал фильмы и воспроизводил музыку. К сожалению, при большой нагрузке (игры) он перегревался. После нескольких попыток, я пришёл к выводу, что в режиме максимальной производительности (игры) придется отказаться от бесшумного режима - вентиляторы должны работать на полной скорости.

Кроме того, пониженного напряжения недостаточно для уверенного старта. Все эксперименты могли бы на этом и закончиться, если бы не Anti-burn shield (ABS II) на материнской плате. Просто включить вентиляторы на пониженное напряжение не получится - необходима схема управления, подающая 12В при включении, и снижающая напряжение позже.

Эксперименты с понижением частоты и напряжения питания процессора, с целью понизить нагрев, себя не оправдали. Можно снизить температуру процесcора на 2-3 градуса, используя Bus disconnect, с помощью утилиты S2kCtl.

Наиболее популярное программное решение для регулировки скорости вентиляторов – SpeedFan. К сожалению, многие производители не делают аппаратную часть, позволяющую регулировать обороты. Именно так и было с моей материнской платой SL-75FRN2-L, поэтому SpeedFan у меня не работает. Существует способ доделать аппаратный регулятор оборотов самостоятельно.

Также в интернете можно найти несколько схем аналогового управления скоростью вентиляторов. Из-за сложности настройки аналоговых схем, я решил сделать ступенчатую схему с программным управлением.

Регулятор оборотов

При включении компьютера, вентиляторы работают на полную мощность. Это необходимо для уверенного старта вентиляторов. Управляющая программа считывает данные с датчика температуры процессора, и принимает решение снижать напряжение питания вентиляторов до 5В или 7В. Пороги снижения/увеличения скорости можно задавать в настройках программы.

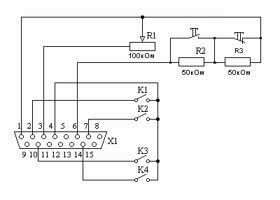
Схема регулятора оборотов

В «тихом» режиме вентилятор БП работает на 7В, а вентиляторы процессора и верхней крышки – на 5В.

Напряжение 7В можно получить, включив вентилятор между контактами 12В и 5В. Для снижения напряжения нужно переключить проводник с 12В на 5В контактом реле. При этом изменяется полярность, поэтому вентилятор включен через диодный мост. Для снижения напряжения с 12В до 5В, нужно переключить проводник с 12В на 5В.

Схема смонтирована на отрезке оргстекла

Программа передает управляющий сигнал через контакт /MOTEA контроллера дисковода. Можно было сделать тоже самое через LPT или COM порт, но я решил их не занимать.

Схема управления изолирована и закреплена внутри корпуса

Схема управления смонтирована на куске оргстекла, изолирована и закреплена внутри корпуса.

Программная часть

Покопавшись в интернете и мануалах, я написал небольшую программу на Delphi - FanDriver. Программа умеет работать только с микросхемой Winbond 83627HF. Именно такая установлена на моём чипсете. Алгоритм общения с микросхемой описывать не буду - всё можно увидеть в исходниках.

Программа FanDriver

Программа позволяет настроить пороги срабатывания.

Программа FanDriver

Для корректной работы программу нужно включить в автозагрузку.

Пульт ДУ

В качестве пульта ДУ был куплен простейший пульт от телевизора Philips. Рекомендую брать пульты именно от телевизоров, потому что некоторые пульты от DVD плееров, которые я пробовал, посылали слишком длинные коды, которые не умеют распознавать программы. Пуль ДУ Philips RC5-BP6:

 Пульт ДУ от телевизора Philips

Приемник ИК сигнала был собран по схеме из этой статьи. Схема простейшего приемника ИК сигналов для компьютера:
Схема простейшего приемника ИК сигналов для компьютера
Из программного обеспечения я рассматривал uIce, Girder, SlyControl 2.0. Больше всего мне понравилась uIce за простой интерфейс и стабильность распознавания.
IR датчик смотрит через окошко на передней панели

ИК-датчик смотрит через окошко на передней панели.

Программная оболочка медиацентра

В качестве программной оболочки был выбран Media Portal. Программа обладает обширными возможностями и простым интерфейсом, хорошо отображаемым даже на экране обычного телевизора.

Интерфейс программы MediaPortal

Это первое приложение, которое я попробовал, и на нём остановился.

Дополнительные аксессуары

Изначально у меня была беспроводная клавиатура и мышь BTC-9001 ARF. Клавиатура «дотягивает» максимум на 5м, а мышь и то, на 2м максимум. При этом мышь – шариковая. Единственным большим плюсом этой клавиатуры является то, что она полностью повторяет дизайн стандартной настольной клавиатуры. Но для медиацентра это просто не нужно, а мышки реально не хватает.

Беспроводной набор BTC-9001ARF

Поэтому вскоре клавиатура была заменена на Genius Media Cruiser. Это отличная клавиатура с «ноутбучным» дизайном, работающая на расстоянии до 9м, имеющая специальный набор клавиш для управления проигрывателем, Mouse Pointer, а также подсветку. Сама клавиатура позиционируется как клавиатура для HTPC. Единственным недостатком этой клавиатуры является то, что Mouse Pointer на самом деле является восьмипозиционным джойстиком, а не аналоговым указателем, как на ноутбуках.

Genius Media Cruiser


Клавиатура Genius Media Cruiser.

Геймпад Logitech Cordless Rumplepad 2 – отличное и удобное устройство, работающее на расстоянии до 9м

Геймпад Logitech Cordless Rumblepad 2

Если игра не поддерживает джойстик, можно сэмулировать нажатия клавиш с помощью программы Joy2key. Обилие клавиш на геймпаде даже позволяет настроить его для управления медиацентром.В качестве развлечения, для ребенка за один вечер из старой игрушки был собран руль для Colin mcRae Rally. Я удалил из корпуса руля всё старую электронику радиоуправления и установил переменный резистор как датчик вращения.

Принципиальная схема руля

Вращение работает как аналоговая ось X джойстика. Две кнопки на руле работают как минимум и максимум на оси Y джойстика. Важно именно такое подключение кнопок, иначе руль невозможно будет откалибровать. В качестве провода взят отрезок UTP кабеля, разъем DB15 куплен заранее на радиорынке. В заключение, в руль был установлен старый винчестер на 850MB - в качестве балласта :).

Основа руля - переменный резистор

Руль в сборе

Точность работы такого руля оставляет желать лучшего, однако её достаточно, чтобы наиграться и не покупать имеющиеся в продаже цифровые рули. Не так уж и много игр поддерживают рули. Скажем, GTA3 руль не поддерживает (!).

Заключение

В заключение, приведу своё личное мнение. Заменит ли самодельный HTPC бытовой DVD-плеер или DVD-Recorder? Вполне. Несмотря на долгий старт при включении (даже при возвращении из hibernate режима), HTPC обладает огромными возможностями, и это все компенсирует.

Заменит ли HTPC игровую приставку? По моему мнению – нет. Возня с настройкой клавиш, «тормоза» из-за слабой конфигурации не могут сравниться с простотой использования тех же Xbox 360 или Wii. Кроме того, специфика PC игр предполагает использование мышки и клавиатуры, а в HTPC они являются скорее дополнительными аксессуарами, т.к. все управляется пультом ДУ.

Roman Lut
hax (at) deep-shadows.com
18/08.2008



Похожие статьи:

Собираем быстрый современный NAS для дома и небольшой студии. Часть 5 - SAS диски

Наш самосборный NAS создавался для SAS-дисков... мною, но не производителем корпуса, поэтому когда были куплены и установлены Savvio 10K.6 в количестве 6 штук, моментально все перегрелось. Но на HWP никогда и ничего не перегрева...

Собираем быстрый современный NAS для дома и небольшой студии. Часть 4 - контроллеры HP P410 и LSI 9240-8i

Для подключения большого количества жестких дисков к NAS-у, нужен дисковый контроллер. Прежде, чем отправиться за покупкой, нужно определиться, какой софт вы будете использовать для вашей СХД, ведь для файловой системы ZFS следу...

Собираем быстрый современный NAS для дома и небольшой студии. Часть 3 - блок питания be quiet! SFX Power 2 300w

Пришло время вдохнуть жизнь в наш NAS, установив блок питания. Прежде чем идти за покупкой, надо просчитать примерную потребляемую мощность будущего компьютера. Кто-то советует устанавливать в NAS самый дешевый китайский блок пи...

Собираем быстрый современный NAS для дома и небольшой студии. Часть 2 - материнская плата Asus Prime J3355I-C

В первой части статьи мы выбрали для нашего NAS-а уникальный корпус SilverStone CS01-HS формата Mini-ITX, и пришло время подобрать для него хорошую материнскую плату. Обычно, для таких случаев выбор стоит между серверной материн...

Собираем быстрый современный NAS для дома и небольшой студии. Часть 1 - корпус SilverStone CS01-HS

Мы начинаем серию статей, в которых расскажем о сборке домашнего NAS-а своими руками. Это будет необычная СХД, потому что для нас важен не объем, а скорость работы устройства и огромное удовольствие, которое ты получаешь, когда ...


Copyrights © 1998-2025